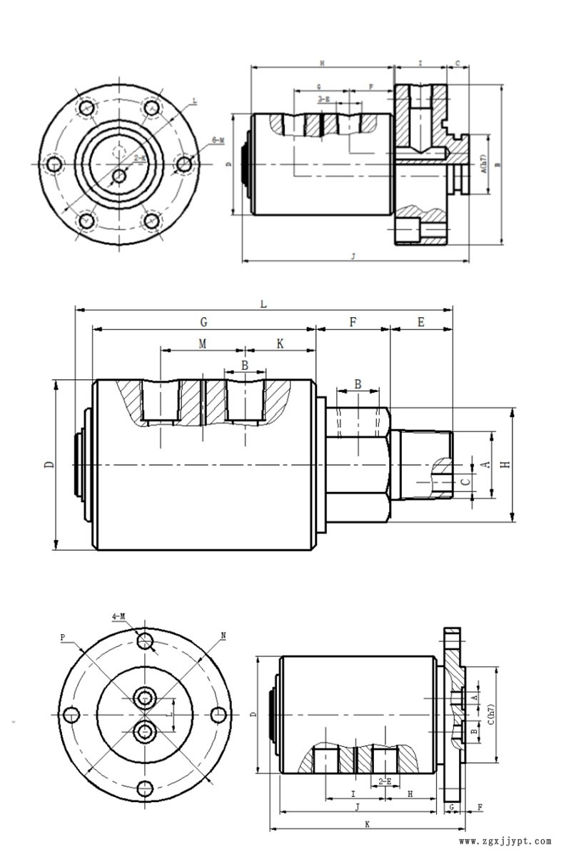
液壓旋轉接頭是與冶金行業鋼、銅、鋁帶(板)卷取機、開卷機旋轉漲縮油缸配套使用的產品,產品采用高精度軸孔配合的微間隙密封結構,將控制旋轉油缸徑向漲縮運動所需的高壓流體,在旋轉油缸以較高轉速旋轉的條件下,實現密封輸送(無外泄漏)和液壓傳遞。
產品用途: 該旋轉接頭主要應用于鋼材熱軋和冷軋、縱剪、橫剪、精整、酸洗、鍍鋅、彩涂生產線中的開卷機、卷取機等的液壓機構傳動中,是不可缺少的重要傳動部件。它的質量好與壞將直接影響到整個生產線的正常運行。 本旋轉接頭主要替代進口旋轉接頭,接頭采用德國進口高壓旋轉密封件,壽命保用兩年,正常使用壽命五年,在額定的轉速下(150/mim)壓力可達30MPa,使用溫度120。 進口的質量,國產的價格。
產品特點:
1.兩只寬大精密軸承支撐,運轉平穩,軸承 終生無需維護;
2.進口專用密封件,保證長壽命運轉;
3.不銹鋼軸芯經特殊處理保證了足夠耐磨性;
4.殼體可由鋁合金、不銹鋼或銅制作;
5.獨特的排泄孔回流設計,防止泄漏至外部影響環境;
6.各項技術指標達到國外同類產品;
7.能為客戶量身定制所需要的產品;




