| 表面處理 | 拋光 |
|---|---|
| 產地 | 廣東 |
| 產品別名 | MAD襯套 |
| 類別 | 模具配件沖頭系列 |
| 應用范圍 | 模具配件沖頭系列 |
| 頭型 | 圓頭 |
| 標準類型 | 國標 |
| 適用模具類型 | 模具配件沖頭系列 |
| 品牌 | 其它 |
| 型號 | MAD襯套 |
| 加工定制 | 是 |
| 材料等級 | SKD11 |
購買須知:
價格僅供參考,具體根據客戶尺寸及加工要求確認產品價格,請聯系客服咨詢!
我們的服務宗旨是賣真鋼、做好人!
歡迎登錄新元官方網站:51模材網//www.51mocai.com/goods/madct.html


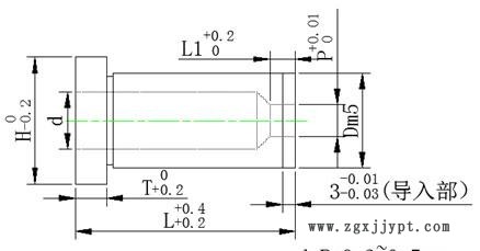
MAD襯套簡視圖

MAD襯套價格表
溫馨提示:
1.以上價格為稅前價格;
2.D為可選項;
3.20支起訂。

